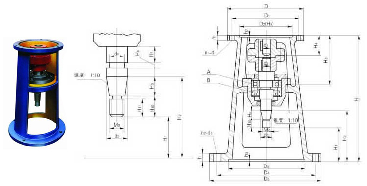
機架型號 |
減速機 型號 |
尺寸 | |||||||||||||||||
D | D1 | D2 | D3 | D4 | D5 | H | H1 | H2 | H3 | H4 | H6 | H7 | H8 | H9 | H10 | H11 | |||
JB | TJ1 | B1 | 230 | 200 | 170 | 220 | 270 | 305 | 514 | 157 | 224 | 185 | 75 | 4 | 45 | 6 | 33 | 34 | 28 |
TJ2 | B1 | 230 | 200 | 170 | 250 | 300 | 335 | 517 | 150 | 226 | 190 | 80 | 5 | 40 | 6 | 44 | 32 | 25 | |
TJ2 | B2 | 260 | 230 | 200 | 250 | 300 | 335 | 530 | 134 | 215 | 210 | 94 | 5 | 45 | 6 | 47 | 34 | 27 | |
TJ3 | B2 | 260 | 230 | 200 | 295 | 350 | 392 | 560 | 164 | 245 | 210 | 94 | 5 | 45 | 6 | 47 | 34 | 27 | |
TJ3 | B3 | 340 | 310 | 270 | 295 | 350 | 392 | 560 | 164 | 245 | 210 | 100 | 5 | 42 | 6 | 47 | 34 | 27 | |
TJ4 | B3 | 340 | 310 | 270 | 345 | 400 | 442 | 675 | 203 | 300 | 250 | 100 | 5 | 50 | 8 | 53 | 44 | 35 | |
TJ5 | B3 | 340 | 310 | 270 | 390 | 450 | 498 | 680 | 183 | 300 | 250 | 100 | 5 | 55 | 8 | 58 | 49 | 39 | |
TJ5 | B4 | 400 | 360 | 320 | 390 | 450 | 498 | 380 | 193 | 300 | 250 | 120 | 5 | 55 | 8 | 58 | 49 | 39 | |
TJ6 | B4 | 400 | 360 | 320 | 435 | 500 | 547 | 736 | 215 | 332 | 250 | 120 | 9 | 75 | 8 | 65 | 52 | 42 | |
TJ6 | B5 | 490 | 450 | 400 | 435 | 500 | 548 | 736 | 215 | 332 | 250 | 145 | 9 | 75 | 8 | 65 | 52 | 42 | |
TJ7 | B5 | 490 | 450 | 400 | 440 | 550 | 600 | 805 | 180 | 321 | 296 | 145 | 8 | 74 | 10 | 89 | 52 | 44 | |
TJ8 | B6 | 580 | 520 | 460 | 500 | 550 | 600 | 820 | 170 | 320 | 362 | 177 | 9 | 28 | 10 | 90 | 60 | 52 |
機架型號 | 減速機型號 | 尺寸 | 機架配套軸承 | ||||||||||||
h | h1 | h2 | h3 | d1 | d2 | d3 | d4 | m0 | n1-d | n2-d5 | A | B | |||
JB | TJ1 | B1 | 22 | 20 | 6 | 7 | 35 | 35 | 30 | 24 | M24×3 | 6-φ12 | 4-φ24 | 209 | 8209 |
TJ2 | B1 | 22 | 20 | 6 | 7 | 35 | 35 | 39 | 33 | M33×3.5 | 6-φ12 | 4-φ24 | 209 | 8209 | |
TJ2 | B2 | 25 | 20 | 7 | 7 | 45 | 45 | 39 | 32 | M33×3.5 | 6-φ13 | 4-φ24 | 210 | 8210 | |
TJ3 | B2 | 26 | 20 | 7 | 7 | 45 | 45 | 39 | 32 | M33×3.5 | 6-φ13 | 4-φ26 | 210 | 8210 | |
TJ3 | B3 | 26 | 20 | 7 | 7 | 55 | 55 | 39 | 32 | M33×3.5 | 6-φ13 | 4-φ26 | 210 | 8210 | |
TJ4 | B3 | 26 | 20 | 7 | 7 | 55 | 55 | 50 | 41.5 | M42×4.5 | 6-φ13 | 4-φ26 | 213 | 8213 | |
TJ5 | B3,B4 | 26 | 22 | 7 | 7 |
55 70 |
55 | 60 | 51.5 | M52×5 | 6-φ30 | 4-φ30 | 213 | 8213 | |
TJ6 | B4,B5 | 30 | 22 | 7 | 7 |
70 90 |
70 | 70 | 61.5 | M64×6 | 8-φ16 | 8-φ30 | 215 | 8215 | |
TJ7 | B5 | 30 | 26 | 10 | 10 | 90 | 90 | 90 | 79 | M80×6 | 12-φ18 | 12-φ22 | 220 | 8220 | |
TJ8 | B6 | 32 | 30 | 10 | 10 | 100 | 100 | 100 | 89 | M90×6 | 12-φ22 | 12-φ22 | 222 | 8222 |
相關產品
Related Products