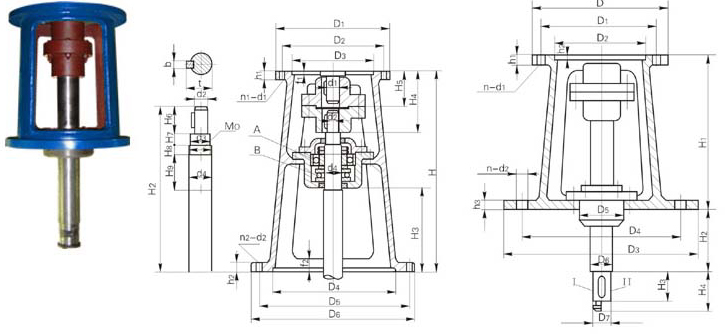
JII型單支點機架、TJA型機架
JII型單支點機架主要參數及尺寸
機架型號 |
減速機型號 |
D1 |
D2 |
D3(H8) |
D4(H9) |
D5 |
D6 |
n1-d1 |
n2-d2 |
H |
H2 |
H3 |
H4 |
H5 |
H6 |
H8 |
H8 |
H9 |
JII2 |
B2 |
260 |
230 |
200 |
295 |
350 |
392 |
6-13.5 |
4-26 |
568 |
478 |
301 |
159 |
89 |
74 |
20 |
17 |
70 |
JII3 |
B3 |
340 |
310 |
270 |
345 |
400 |
442 |
6-13.5 |
4-26 |
675 |
575 |
358 |
178 |
101 |
81 |
37 |
20 |
82 |
JII4 |
B4 |
400 |
360 |
320(316) |
435 |
500 |
548 |
8-16 |
8-30 |
736 |
613 |
384 |
215 |
123 |
92 |
25 |
28 |
120 |
JII5 |
B5 |
490 |
450 |
400 |
440 |
550 |
600 |
12-18 |
12-22 |
835 |
685 |
363 |
280 |
150 |
130 |
44 |
40 |
142 |
JII6 |
B6 |
580 |
520 |
460(455) |
500 |
550 |
600 |
12-22 |
12-22 |
928 |
739 |
380 |
350 |
187 |
163 |
46 |
40 |
156 |
機架型號 |
減速機型號 |
d1 |
d2 |
d3 |
M0 |
d4(k6) |
b |
t |
f1 |
f2 |
h1 |
h2 |
JII2 |
B2 |
45 |
45 |
43 |
M50×2 |
50 |
14 |
48.5 |
6 |
5 |
20 |
12 |
JII3 |
B3 |
55 |
55 |
63 |
M65×2 |
65 |
16 |
59 |
6 |
5 |
20 |
24 |
JII4 |
B4 |
70 |
70 |
72 |
M75×2 |
75 |
20 |
74.5 |
7 |
5 |
22 |
26 |
JII5 |
B5 |
90 |
90 |
95 |
M100×2 |
100 |
25 |
95 |
8 |
7 |
26 |
28 |
JII6 |
B6 |
100 |
100 |
105 |
M110×2 |
110 |
28 |
106 |
10 |
7 |
28 |
30 |
TJA型單支點機架主要參數及尺寸
機架型號 |
減速機型號 |
輸入端接口 |
輸出端接口 |
D5 |
D6 |
D7 |
H1 |
H2 |
H3 |
H4 |
D |
D1 |
D2(H9) |
h1 |
h2 |
n-d1 |
D3 |
D4 |
n-d2 |
h3 |
TJA0 |
B0 |
190 |
160 |
140 |
16 |
5 |
4-12 |
250 |
210 |
3-12 |
16 |
115 |
45 |
30 |
260 |
200 |
34 |
70 |
TJA1 |
B1 |
230 |
200 |
170 |
16 |
5 |
6-12 |
290 |
260 |
4-12 |
16 |
115 |
45 |
35 |
310 |
200 |
57 |
100 |
TJA2 |
B2 |
260 |
230 |
200 |
20 |
6 |
6-12 |
345 |
300 |
3-18 |
20 |
115 |
50 |
45 |
350 |
200 |
57 |
100 |
TJA3 |
B3 |
340 |
310 |
270 |
22 |
6 |
6-13.5 |
460 |
400 |
4-20 |
22 |
160 |
60 |
55 |
440 |
250 |
77 |
100 |
TJA4 |
B4 |
400 |
260 |
320(316) |
22 |
7 |
8-15 |
580 |
530 |
6-20 |
22 |
160 |
75 |
70 |
521 |
250 |
87 |
130 |
TJA5 |
B5 |
490 |
450 |
400 |
25 |
7 |
12-18 |
600 |
550 |
8-22 |
28 |
240 |
100 |
90 |
540 |
300 |
107 |
170 |
TJA6 |
B6 |
580 |
520 |
320(316) |
28 |
10 |
12-22 |
600 |
560 |
12-22 |
30 |
250 |
110 |
100 |
624 |
350 |
100 |
200 |
TJA7 |
B7 |
650 |
590 |
520 |
30 |
12 |
12-22 |
700 |
650 |
12-22 |
30 |
275 |
120 |
110 |
724 |
400 |
142 |
200 |
TJA8 |
B8 |
880 |
800 |
680 |
30 |
12 |
12-37 |
880 |
810 |
20-27 |
37 |
310 |
140 |
130 |
818 |
450 |
202 |
225 |
注:圖中所注“H2”僅與本樣本BLD系列件速機相配,如選用其他型號或其他廠家減速機,“H2”需另行計算。
1、Ⅰ型為夾殼式聯軸器聯接
2、Ⅱ型為JA型聯軸器聯接
3、如用戶對輸出軸長度有特殊要求,請在訂貨時說明